Product outline
Most appropriate for load control of bench scales, floor scales, conveyor scales, etc.
● Capacity 10/ 20/ 50/ 100 kg
● Constructed of stainless steel, Lightweight
● Most appropriate for load control of bench scales, floor scales, conveyor scales, etc.
● Constructed of stainless steel, Lightweight
● Most appropriate for load control of bench scales, floor scales, conveyor scales, etc.
Specifications
| Model | PW15AH-10KG, PW15AH-20KG, PW15AH-50KG, PW15AH-100KG |
|---|---|
| Rated capacity | 10 kg, 20 kg, 50 kg, 100 kg |
| Rated output | 2.0±0.2 mV/V |
| Safe overload | 150% R.C. |
| Maximum safe side overload | 300% R.C. |
| Zero balance | 0±0.1 mV/V |
| Non-linearity | 0.0166% R.O. typ. |
| Hysteresis | 0.0166% R.O. typ. |
| Compensated temperature range |
-10 to +40℃ |
| Safe temperature range | -10 to +50℃ |
| Temperature effect on zero | 0.0140% R.O./10℃ |
| Temperature effect on span | 0.0175% R.O./10℃(+20 to +40℃), 0.0117% R.O./10℃(−10 to +20℃) |
| Input resistance | 300 to 500 Ω |
| Output resistance | 300 to 500 Ω |
| Recommended excitation voltage |
1 to 12 V |
| Insulation resistance | 1000 MΩ or more |
| Degrees of protection | IP68 |
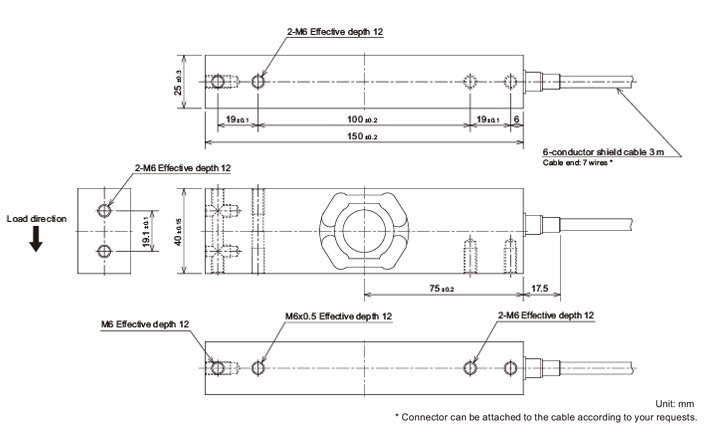
| Cable | 6-conductor shield cable 3 m Cable end: 7 wires |
| Cable color code | +EXC:Blue +S:Green -S:Gray -EXC:Black +SIG:White -SIG:Red SHIELD:Yellow |
| Load cell material | Stainless steel |
| Deflection at rated | 0.5 mm or less |
| Natural frequency | 10KG:169 Hz 20KG:232 Hz 50KG:352 Hz 100KG:492 Hz |
| Maximum off center distance | 160 mm |
| Maximum platform size | 500 × 400 mm |
| Weight | 1.0 kg |
External dimension

Download
|
Product catalogue(PDF)
|
⇒Download Page | |
|---|---|---|
|
Operation manual(PDF)
|
||
|
External dimension
|
DXF
(ZIP) |
|
|
PDF
|
||
|
Support tools
|
||
|
Software
|
||


