| Product outline | Specifications | Download |
Product outline
Hardly any interference by torsion & less impact on accuracy against lateral load.
Easy-to-install double-end female thread type.
Easy-to-install double-end female thread type.
● Capacity 1 kN, 2 kN, 5 kN (10 kN & 20 kN are scheduled to be released sequentially.)
● Measures both tension & compression load
● The height is short as 30 mm, allowing easy installation to equipment
● Even when used in horizontal direction, there is no impact of jig’s own weight, so that accurate measurements are possible.
● Number of parts can be reduced such as assembling a press machine without guides
Specifications
| Model | UNN-1KN | UNN-2KN | UNN-5KN |
|---|---|---|---|
| Rated capacity | 1 kN | 2 kN | 5 kN |
| Rated output | Approx. 1.0 mV/V | ||
| Safe overload | 300% R.C. | ||
| Zero balance | ±10% R.O. | ||
| Non-linearity | 0.2% or less R.O. | ||
| Hysteresis | 0.2% or less R.O. | ||
| Repeatability | 0.1% or less R.O. | ||
| Compensated temperature range | -10 to +60℃ | ||
| Safe temperature range |
-20 to +70℃ | ||
| Temperature effect on zero |
0.5% R.O./10℃ or below | ||
| Temperature effect on span |
0.5% R.O./10℃ or below | ||
| Input resistance | Approx. 1000 Ω | ||
| Output resistance | Approx. 1000 Ω | ||
| Recommended excitation voltage |
5 V | ||
| Maximum excitation voltage |
7.5 V | ||
| Insulation resistance (DC 50 V) |
1000 MΩ or more | ||
| Deflection at rated | 0.025 mm | ||
| Natural frequency | 20 kHz | ||
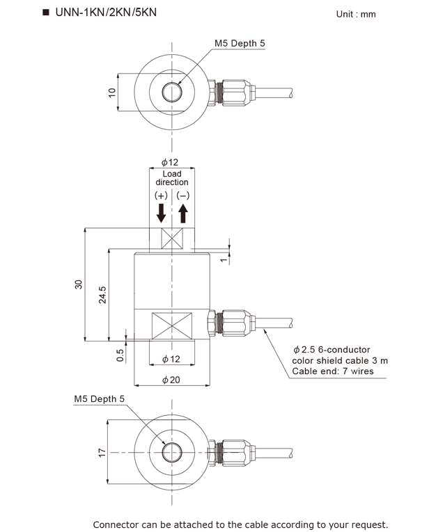
| Cable | φ2.5 6 conductor flexible cable (3 m) Cable end: 7 wires |
||
| Load cell material | Stainless steel | ||
| Weight | Approx. 50 g | ||
| RoHS directives | 2011/65/EU (EU)2015/863 | ||
Wiring diagram

External dimension

Download
|
Product catalogue(PDF)
|
⇒Download Page | |
|---|---|---|
|
Operation manual(PDF)
|
||
|
External dimension
|
DXF
(ZIP) |
|
|
PDF
|
||
|
Support tools
|
||
|
Software
|
||


